产品分类
- 产品描述
-

订货编码
①
②
-
③
④
⑤
⑥
⑦
⑧
⑨
⑩
EGL
P
-
4
22
L
S
Q
30
F
A
外啮合齿轮装置
① 外啮合齿轮铝壳体装置
EGL
系列
② 液压泵
P
液压马达
M
系列组号
③ 1
2
3
4
5
规格排量
④ 排量 ml/r
14
16
18
20
22
25
30
32
旋向
⑤ 从传动轴头方向看
顺时针
R
逆时针
L
轴伸形式
⑥
矩形花键
H
平键
D
11齿国标渐开线花键
J
11齿SAE渐开线花键
S
12齿国标渐开线花键
T
铸铁前盖
⑦ 矩形法兰 国标Φ38
Q
2螺栓法兰 Φ82.55
G
进出油口法兰
⑧
X形法兰
20
十字法兰
30
公制螺纹
40
管螺纹
50
矩形法兰
60
密封材料
⑨ NBR(丁晴橡胶)
N
FKM(氟橡胶)
F
铸铁后盖
⑩
标准平后盖
A
后盖进油
L
后盖进油后盖出油
M
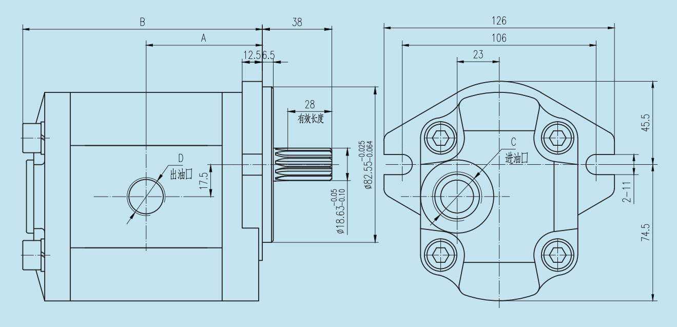
尺寸-轴伸
H ▼矩形花键

D▼平键

J ▼国标渐开线花键(11齿)

S ▼SAE渐开线花键(11齿)

T ▼国标渐开线花键(12齿)

尺寸-铸铁前盖
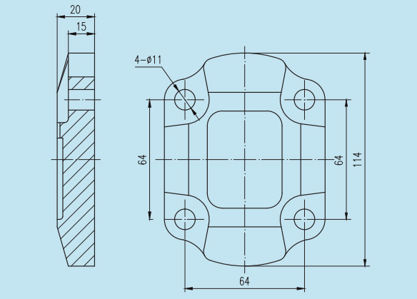
Q▼矩形法兰Φ38

G ▼2螺栓法兰Φ82.55

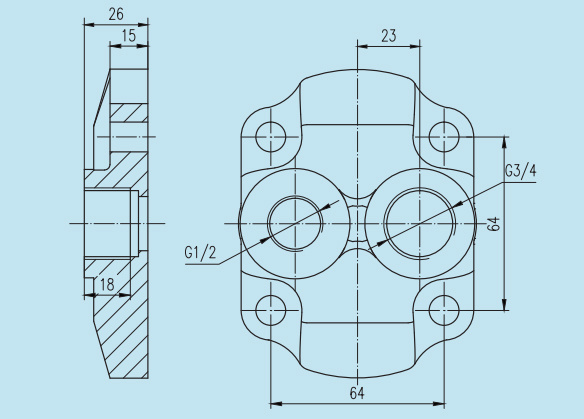
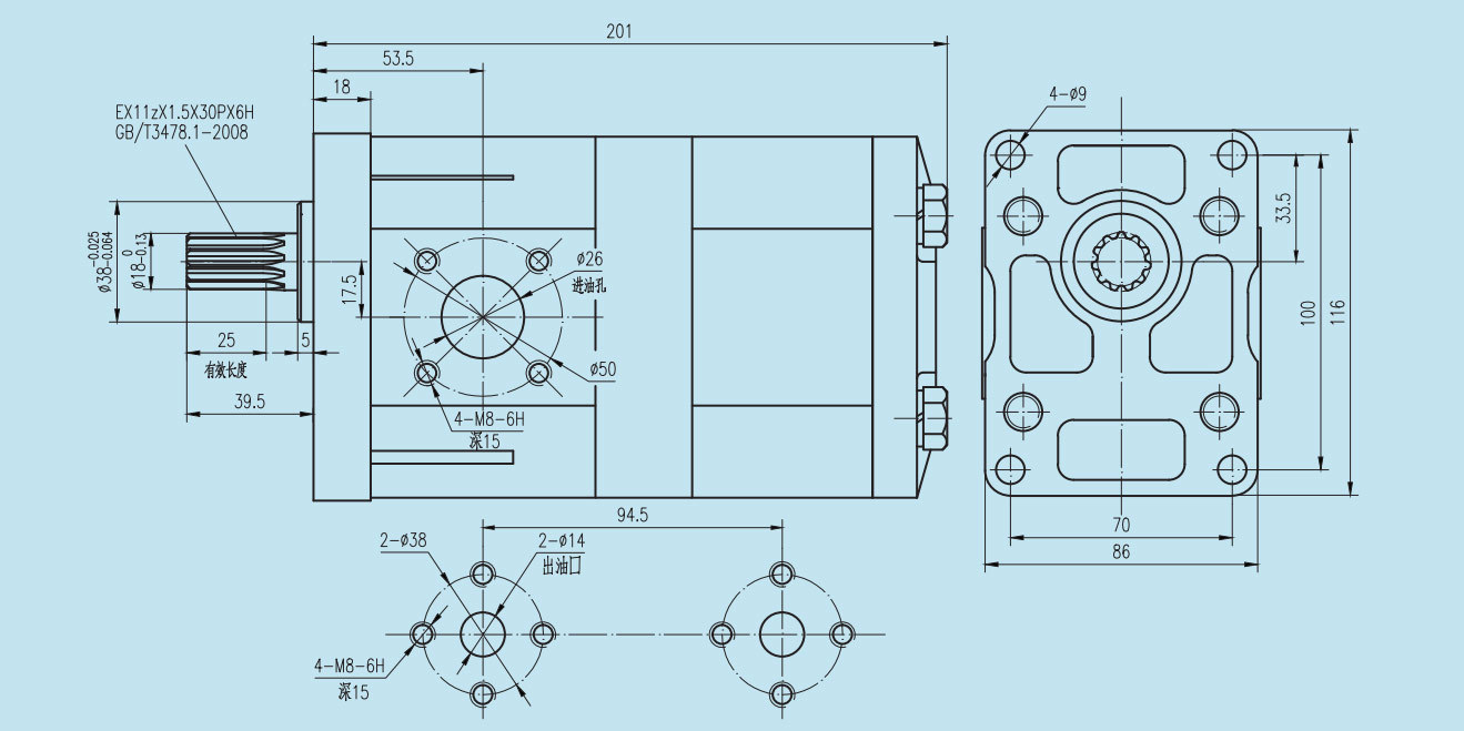
尺寸-进出油口法兰
20 ▼ X形法兰

额定排量
出油侧
进油侧
C
D
C
D
14~20
14
50
18
50
22~32
20
55
26
55
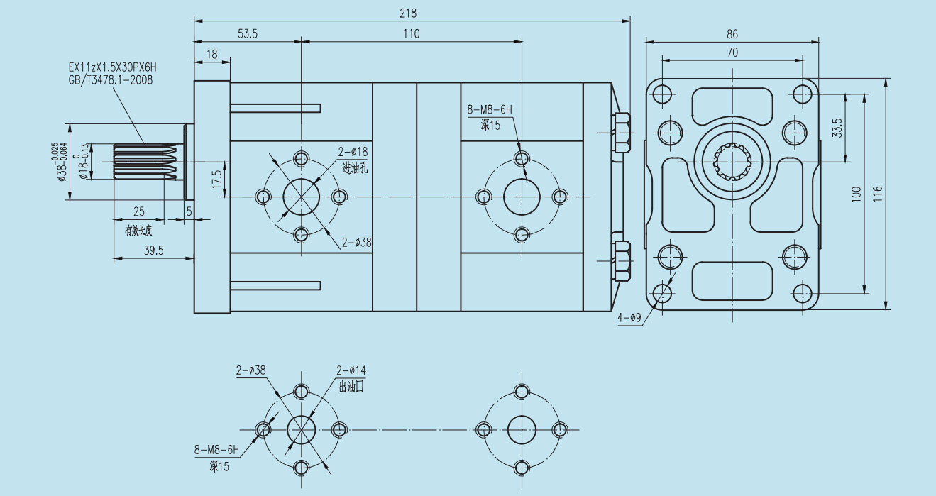
30 ▼ 十字法兰

额定排量
出油侧
进油侧
C
D
C
D
14~20
14
38
18
38
22~32
20
55
26
55
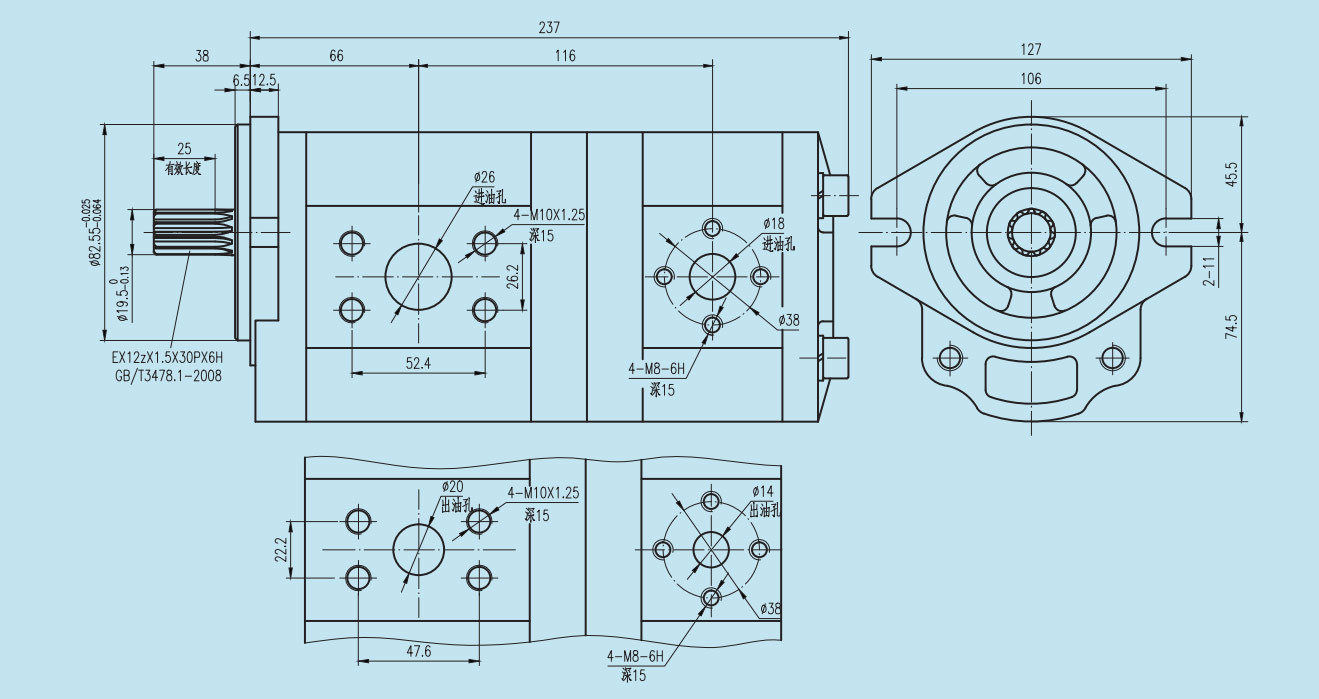
40▼公制螺纹

额定排量
出油侧
进油侧
B
B
14~20
18X1.5
22X1.5
22~32
22X1.5
27X2
50▼ 管螺纹

额定排量
出油侧
进油侧
B
B
14~20
G1/2
G3/4
22~32
G3/4
G1
60▼ 矩形法兰

额定排量
出油侧
进油侧
A*B
C
A*B
C
14~20
47.6*22.2
14
47.6*22.2
20
22~32
47.6*22.2
20
52.4*26.2
26
尺寸-铸铁后盖
A ▼标准平后盖

L ▼后(进)出油后盖

M ▼后进油后出油后盖

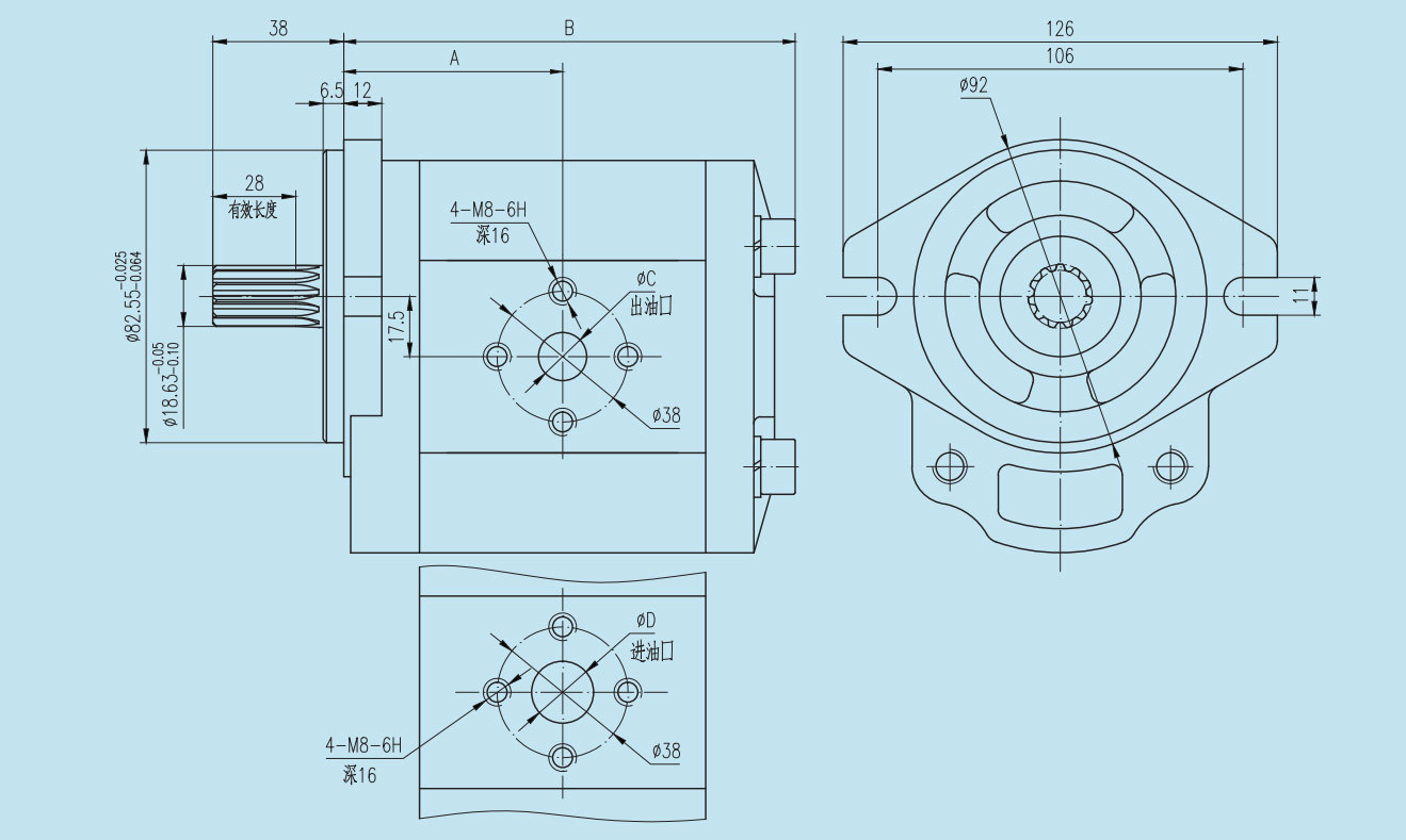
尺寸-泵型范例
▼SAE渐开线花键轴带2螺栓法兰Φ82.55
EGLP-4..RSG30.A

齿轮泵尺寸和技术参数
订货编码
公称排量(ml/r)
压力(MPa)
转速(rpm)
尺寸(mm)
额定
最高
额定
最高
A
B
C
D
EGLP-414RSG30FA
14
20
25
2000
3000
56.5
118
18
14
EGLP-416RSG30FA
16
20
25
2000
3000
58.75
122.5
18
14
EGLP-418RSG30FA
18
20
25
2000
3000
59.75
124.5
18
14
EGLP-420RSG30FA
20
20
25
2000
2800
60.75
127
18
14
齿轮马达尺寸和技术参数
订货编码
公称排量(ml/r)
压力(MPa)
转速(rpm)
尺寸(mm)
额定
最高
额定
最高
A
B
C
D
EGLM-414RSG30FA
14
20
25
2000
3000
56.5
118
18
18
EGLM-416RSG30FA
16
20
25
2000
3000
58.75
122.5
18
18
EGLM-418RSG30FA
18
20
25
2000
3000
59.75
124.5
18
18
EGLM-420RSG30FA
20
20
25
2000
2800
60.75
127
18
18
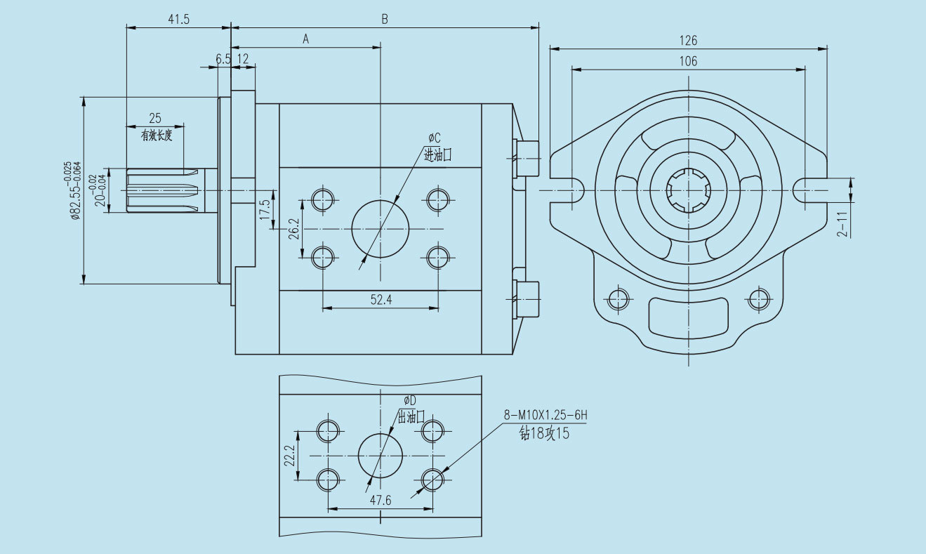
▼矩形花键轴带2螺栓法兰Φ82.55
EGLP-4..LHG60.A

齿轮泵尺寸和技术参数
订货编码
公称排量(ml/r)
压力(MPa)
转速(rpm)
尺寸(mm)
额定
最高
额定
最高
A
B
C
D
EGLP-422LHG60FA
22
20
25
2000
2800
62
130
26
20
EGLP-425LHG60FA
25
20
25
2000
2800
63.5
132
26
20
EGLP-430LHG60FA
30
20
25
2000
2800
64.5
137.5
26
20
EGLP-432LHG60FA
32
20
25
2000
2800
67.25
141
26
20
齿轮马达尺寸和技术参数
订货编码
公称排量(ml/r)
压力(MPa)
转速(rpm)
尺寸(mm)
额定
最高
额定
最高
A
B
C
D
EGLM-422LHG60FA
22
20
25
2000
2800
62
130
26
20
EGLM-425LHG60FA
25
20
25
2000
2800
63.5
132
26
20
EGLM-430LHG60FA
30
20
25
2000
2800
64.5
137.5
26
20
EGLM-432LHG60FA
32
20
25
2000
2800
67.25
141
26
20
▼矩形花键轴带2螺栓法兰Φ82.55后进油
EGLP-4..LSG...L

齿轮泵尺寸和技术参数
订货编码
公称排量(ml/r)
压力(MPa)
转速(rpm)
尺寸(mm)
额定
最高
额定
最高
A
B
C
D
EGLP-414LSG50FL
14
20
25
2000
3000
56.5
118
G3/4
G1/2
EGLP-416LSG50FL
16
20
25
2000
3000
58.75
122.5
G3/4
G1/2
EGLP-418LSG50FL
18
20
25
2000
3000
59.75
124.5
G3/4
G1/2
EGLP-420LSG50FL
20
20
25
2000
2800
60.75
127
G3/4
G1/2
EGLP-422LSG50FL
22
20
25
2000
2800
62
130
G1
G3/4
EGLP-425LSG50FL
25
20
25
2000
2800
63.5
132
G1
G3/4
EGLP-430LSG50FL
30
20
25
2000
2800
64.5
137.5
G1
G3/4
EGLP-432LSG50FL
32
20
25
2000
2800
67.25
141
G1
G3/4
齿轮马达尺寸和技术参数
订货编码
公称排量(ml/r)
压力(MPa)
转速(rpm)
尺寸(mm)
额定
最高
额定
最高
A
B
C
D
EGLM-414LSG50FL
14
20
25
2000
3000
56.5
118
G3/4
G3/4
EGLM-416LSG50FL
16
20
25
2000
3000
58.75
122.5
G3/4
G3/4
EGLM-418LSG50FL
18
20
25
2000
3000
59.75
124.5
G3/4
G3/4
EGLM-420LSG50FL
20
20
25
2000
2800
60.75
127
G3/4
G3/4
EGLM-422LSG50FL
22
20
25
2000
2800
62
130
G1
G1
EGLM-425LSG50FL
25
20
25
2000
2800
63.5
132
G1
G1
EGLM-430LSG50FL
30
20
25
2000
2800
64.5
137.5
G1
G1
EGLM-432LSG50FL
32
20
25
2000
2800
67.25
141
G1
G1
多级泵

订货编码
①
②
-
③
④
⑤
/
⑥
⑦
⑧
⑨
⑩
⑪
⑫
⑬
EGLP
2
-
F
4
30
/
C
4
10
R
J
G
60
F
外啮合多联齿轮泵
① 外啮合齿轮铝壳体泵
EGLP
系列
② 双联泵
2
三联泵
3
额定压力(MPa)
③和⑥
10
C
12.5
D
16
E
20
F
25
G
系列组号
④和⑦ 2
3
4
5
规格排量
⑤和⑧ 排量 ml/r
8
10
14
16
20
22
25
30
32
旋向
⑨ 从传动轴头方向看
顺时针
R
逆时针
L
轴伸形式
⑩
矩形花键
H
平键
D
11齿国标渐开线花键
J
11齿SAE渐开线花键
S
12齿国标渐开线花键
T
铸铁前盖
⑪ 矩形法兰
国标Φ38
Q
2螺栓安装
Φ82.55
F
进出油口法兰
⑫
X形法兰
20
十字法兰
30
公制螺纹
40
管螺纹
50
矩形法兰
60
分油或合油
⑬ 分油
F
合油
N
尺寸-泵型范例
▼国标渐开线花键轴带矩形法兰Φ38
EGLP2-F422/C410LJQ20N

▼渐开线花键轴带矩形法兰Φ38
EGLP2-F422/C410LJQ20N

▼SAE渐开线花键轴带2螺栓法兰Φ82.55
EGLP2-F430/F408LTG60F

留言咨询
推荐产品