产品分类
- 产品描述
-
概述
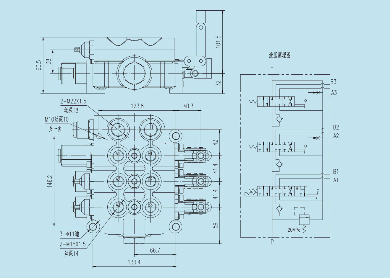
12公称通径系列整体式多路阀具有结构紧凑,工作压力高,工作可靠,可实现执行机构单双作用切换及浮动定位控制等优点。广泛应用于大中马力拖拉机液压系统。
特点
▪ 内置溢流阀:进油油路设有差动式或直动式溢流阀,耐污染能力强,可调定系统压力
▪ 内置单向阀:每个油路均配置内置单向阀,可防止油液倒流
▪ 阀体结构:整体式结构,多联结构

性能参数
公称通径(mm)
12
公称压力(MPa)
20
公称流量(L/min)
50
阀杆行程(mm)
三位7.5+7.5 四位6.5+5+6.5
重量(Kg)
12.1
外形及连接尺寸

留言咨询
推荐产品