产品分类
- 产品描述
-

订货编码
①
②
-
③
④
⑤
⑥
⑦
⑧
⑨
⑩
EGL
P
-
3
16
L
H
Q
30
F
A
外啮合齿轮装置
① 外啮合齿轮铝壳体装置
EGL
系列
② 液压泵
P
液压马达
M
系列组号
③ 1
2
3
4
5
规格排量
④ 排量 ml/r
6
8
10
12
14
16
18
20
22
25
旋向
⑤ 从传动轴头方向看
顺时针
R
逆时针
L
轴伸形式
⑥
矩形花键
H
扁键
B
平键
D
11齿国标渐开线花键
J
11齿SAE渐开线花键
S
9齿SAE渐开线花键
T
1:5锥度M12螺帽
C
1:5锥度M14螺帽
P
1:8锥度
Z
铸铁前盖
⑦
矩形法兰
国标Φ38
Q
欧标Φ36.4
E
2螺栓安装
国标Φ38
F
2螺栓法兰
Φ82.55
G
4螺栓安装
Φ82.55
K
外置轴承
Φ80
V
W
进出油口法兰
⑧
X形法兰
20
十字法兰
30
公制螺纹
40
管螺纹
50
密封材料
⑨ NBR(丁晴橡胶)
N
HNBR(氢化丁晴橡胶)
H
FKM(氟橡胶)
F
铸铁后盖
⑩
标准平后盖
A
后盖进油
L
后盖进油后盖出油
M
马达专用平后盖
Y
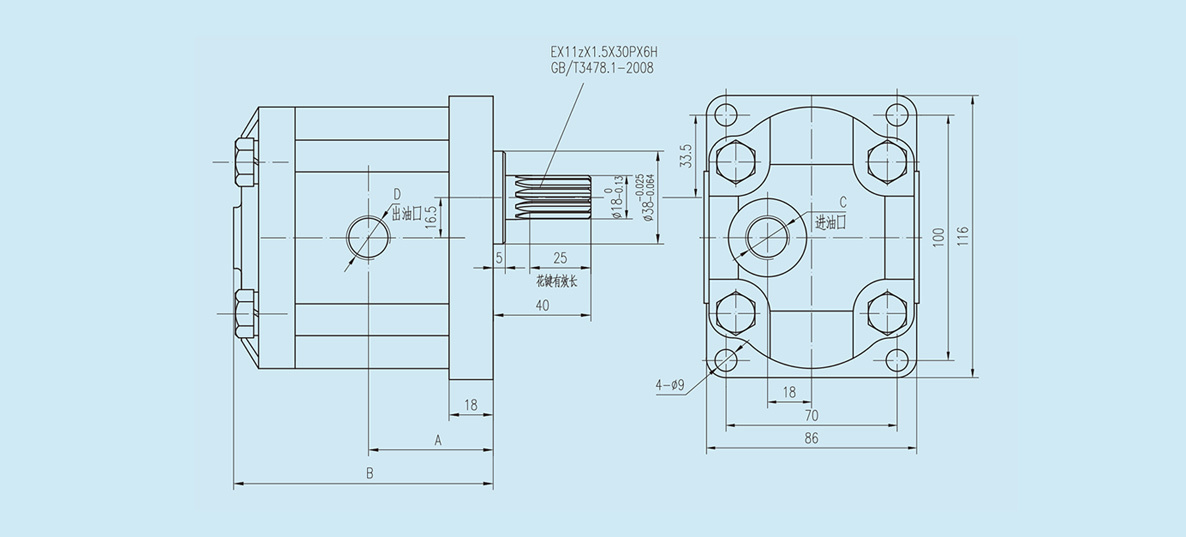
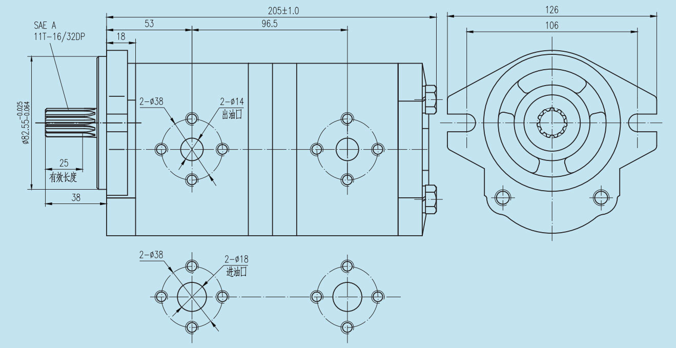
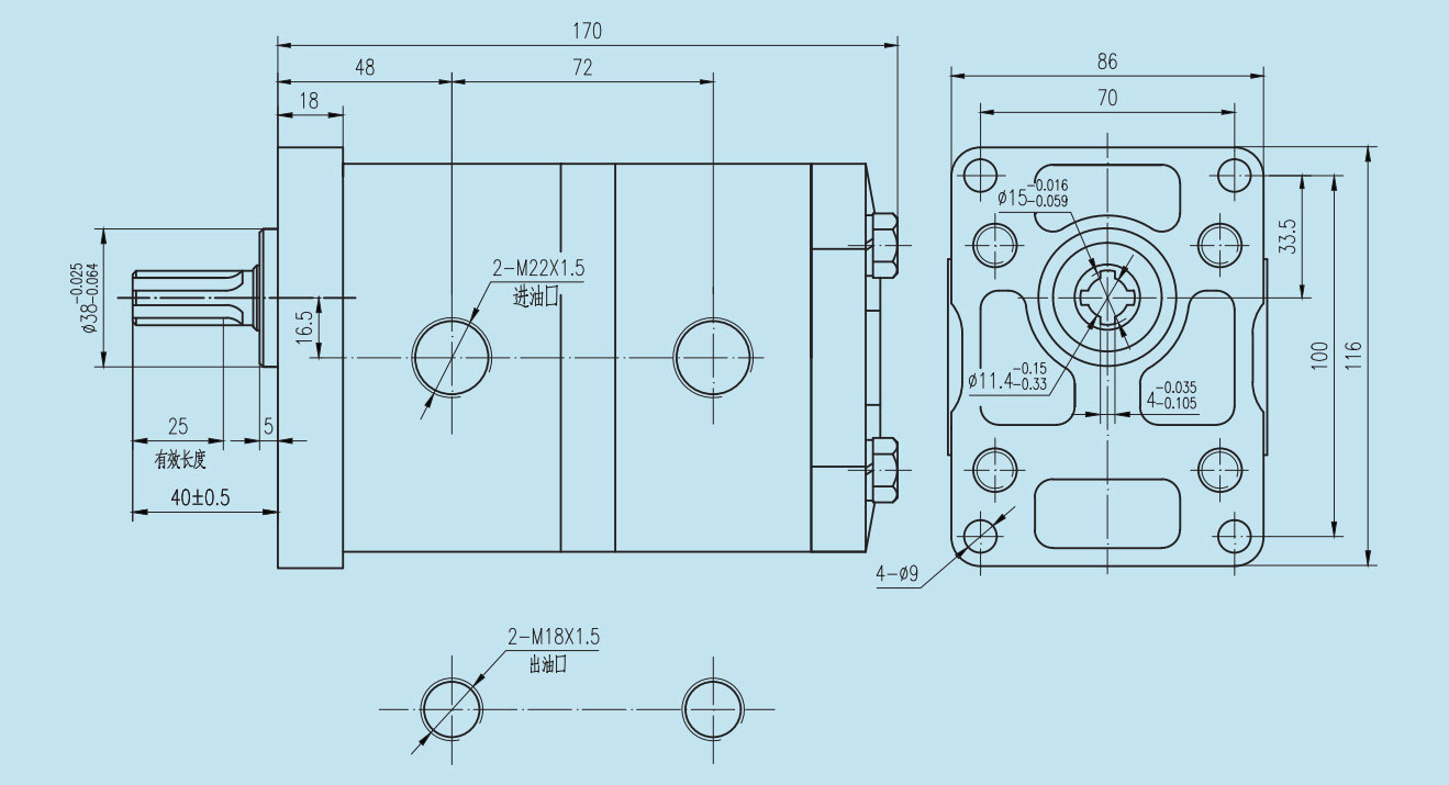
尺寸-轴伸
H ▼矩形花键

B ▼扁键

D▼平键

J▼国标渐开线花键

S▼SAE渐开线花键

Z▼1:8锥度

C▼1:5锥度

P▼1:5锥度

T▼SAE渐开线花键

尺寸-铸铁前盖
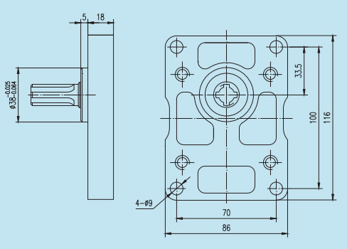
Q▼矩形法兰Φ38

E▼矩形法兰Φ36.47

F ▼2螺栓安装Φ38

G ▼2螺栓法兰Φ82.55

K ▼4螺栓法兰Φ82.55

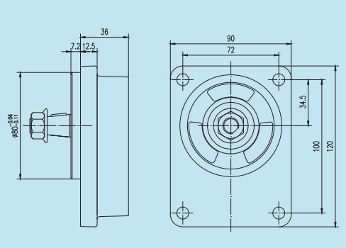
W ▼外置轴承1

V ▼外置轴承2

尺寸-进出油口法兰
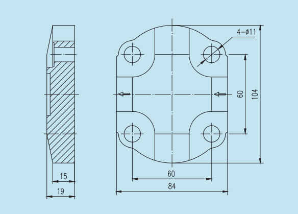
20▼ X形法兰

额定排量
出油侧
进油侧
C
D
C
D
4~ 8
10
38
14
38
10 ~20
14
38
18
38
22 ~25
14
38
20
50
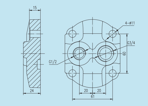
30▼ 十字法兰

额定排量
出油侧
进油侧
C
D
C
D
4~ 8
10
38
14
38
10 ~20
14
38
18
38
40▼公制螺纹

额定排量
出油侧
进油侧
B
B
4~12
18X1.5
22X1.5
14 ~20
22X1.5
27X2
22 ~25
22X1.5
30X2
50▼ 管螺纹

额定排量
出油侧
进油侧
B
B
4~22
G1⁄ 2
G3 ⁄4
尺寸-铸铁后盖
A ▼标准平后盖

L ▼后(进)出油后盖

M ▼后进油后出油后盖

Y ▼马达专用平后盖

尺寸-优选泵型
▼矩形花键轴带矩形法兰Φ38
EGLP-3..LHQ30.A
齿轮泵尺寸和技术参数
订货编码
公称排量(ml/r)
压力(MPa)
转速(rpm)
尺寸(mm)
额定
最高
额定
最高
A
B
C
D
EGLP-306LHQ30FA
6
20
25
2000
3500
45
97
14
10
EGLP-308LHQ30FA
8
20
25
2000
3500
46.5
97
14
10
EGLP-310LHQ30FA
10
20
25
2000
3500
48
100
18
14
EGLP-312LHQ30FA
12
20
25
2000
3000
49.5
103
18
14
EGLP-314LHQ30FA
14
20
25
2000
3000
51
106
18
14
EGLP-316LHQ30FA
16
20
25
2000
3000
52.5
109
18
14
EGLP-318LHQ30FA
18
20
25
2000
3000
54
112
18
14
EGLP-320LHQ30FA
20
20
25
2000
3000
56
116
18
14
齿轮马达尺寸和技术参数
订货编码
公称排量(ml/r)
压力(MPa)
转速(rpm)
尺寸(mm)
额定
最高
额定
最高
A
B
C
D
EGLM-306LHQ30FA
6
20
25
2000
3500
45
97
14
10
EGLM-308LHQ30FA
8
20
25
2000
3500
46.5
97
14
10
EGLM-310LHQ30FA
10
20
25
2000
3500
48
100
18
14
EGLM-312LHQ30FA
12
20
25
2000
3000
49.5
103
18
14
EGLM-314LHQ30FA
14
20
25
2000
3000
51
106
18
14
EGLM-316LHQ30FA
16
20
25
2000
3000
52.5
109
18
14
EGLM-318LHQ30FA
18
20
25
2000
3000
54
112
18
14
EGLM-320LHQ30FA
20
20
25
2000
3000
56
116
18
14
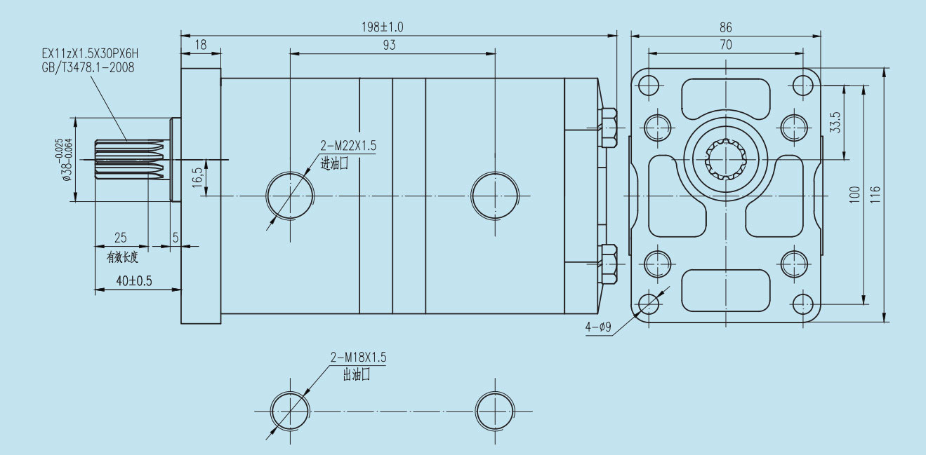
▼渐开线花键轴带矩形法兰后进油 Φ38
EGLP-3..LJQ...L

齿轮泵尺寸和技术参数
订货编码
公称排量(ml/r)
压力(MPa)
转速(rpm)
尺寸(mm)
额定
最高
额定
最高
A
B
C
D
EGLP-306LJQ40FL
6
20
25
2000
3500
45
97
M22X1.5
M18X1.5
EGLP-308LJQ40FL
8
20
25
2000
3500
46.5
100
M22X1.5
M18X1.5
EGLP-310LJQ40FL
10
20
25
2000
3500
48
103
M22X1.5
M18X1.5
EGLP-312LJQ40FL
12
20
25
2000
3000
49.5
106
M22X1.5
M18X1.5
EGLP-314LJQ50FL
14
20
25
2000
3000
51
109
G3/4
G1/2
EGLP-316LJQ50FL
16
20
25
2000
3000
52.5
112
G3/4
G1/2
EGLP-318LJQ50FL
18
20
25
2000
3000
54
115
G3/4
G1/2
EGLP-320LJQ50FL
20
20
25
2000
3000
56
119
G3/4
G1/2
EGLP-322LJQ50FL
22
20
25
2000
3000
57.5
122
G3/4
G1/2
齿轮马达尺寸和技术参数
订货编码
公称排量(ml/r)
压力(MPa)
转速(rpm)
尺寸(mm)
额定
最高
额定
最高
A
B
C
D
EGLM-306LJQ40FL
6
20
25
2000
3500
45
97
M22X1.5
M22X1.5
EGLM-308LJQ40FL
8
20
25
2000
3500
46.5
100
M22X1.5
M22X1.5
EGLM-310LJQ40FL
10
20
25
2000
3500
48
103
M22X1.5
M22X1.5
EGLM-312LJQ40FL
12
20
25
2000
3000
49.5
106
M22X1.5
M22X1.5
EGLM-314LJQ50FL
14
20
25
2000
3000
51
109
G3/4
G3/4
EGLM-316LJQ50FL
16
20
25
2000
3000
52.5
112
G3/4
G3/4
EGLM-318LJQ50FL
18
20
25
2000
3000
54
115
G3/4
G3/4
EGLM-320LJQ50FL
20
20
25
2000
3000
56
119
G3/4
G3/4
EGLM-322LJQ50FL
22
20
25
2000
3000
57.5
122
G3/4
G3/4
▼SAE渐开线花键轴带2螺栓法兰Φ82.55
EGLP-3..RSG20.A

齿轮泵尺寸和技术参数
订货编码
公称排量(ml/r)
压力(MPa)
转速(rpm)
尺寸(mm)
额定
最高
额定
最高
A
B
C
D
EGLP-306RSG20FA
6
20
25
2000
3500
45
97
14
50
EGLP-308RSG20FA
8
20
25
2000
3500
46.5
100
14
50
EGLP-310RSG20FA
10
20
25
2000
3500
48
103
18
50
EGLP-312RSG20FA
12
20
25
2000
3000
49.5
106
18
50
EGLP-314RSG20FA
14
20
25
2000
3000
51
109
18
50
EGLP-316RSG20FA
16
20
25
2000
3000
52.5
112
18
50
EGLP-318RSG20FA
18
20
25
2000
3000
54
115
18
50
EGLP-320RSG20FA
20
20
25
2000
3000
56
119
20
50
EGLP-322RSG20FA
22
20
25
2000
3000
57.5
122
20
50
EGLP-325RSG20FA
25
20
25
2000
3000
59.5
126
20
50
齿轮马达尺寸和技术参数
订货编码
公称排量(ml/r)
压力(MPa)
转速(rpm)
尺寸(mm)
额定
最高
额定
最高
A
B
C
D
EGLM-306RSG20FA
6
20
25
2000
3500
45
97
14
50
EGLM-308RSG20FA
8
20
25
2000
3500
46.5
100
14
50
EGLM-310RSG20FA
10
20
25
2000
3500
48
103
18
50
EGLM-312RSG20FA
12
20
25
2000
3000
49.5
106
18
50
EGLM-314RSG20FA
14
20
25
2000
3000
51
109
18
50
EGLM-316RSG20FA
16
20
25
2000
3000
52.5
112
18
50
EGLM-318RSG20FA
18
20
25
2000
3000
54
115
18
50
EGLM-320RSG20FA
20
20
25
2000
3000
56
119
20
50
EGLM-322RSG20FA
22
20
25
2000
3000
57.5
122
20
50
▼扁键轴带2螺栓安装Φ38
EGLP-3..LBF30.A

齿轮泵尺寸和技术参数
订货编码
公称排量(ml/r)
压力(MPa)
转速(rpm)
尺寸(mm)
额定
最高
额定
最高
A
B
C
D
EGLP-306LBF30FA
6
20
25
2000
3500
45
94
14
10
EGLP-308LBF30FA
8
20
25
2000
3500
46.5
97
14
10
EGLP-310LBF30FA
10
20
25
2000
3500
48
100
18
14
EGLP-312LBF30FA
12
20
25
2000
3000
49.5
103
18
14
EGLP-314LBF30FA
14
20
25
2000
3000
51
106
18
14
齿轮马达尺寸和技术参数
订货编码
公称排量(ml/r)
压力(MPa)
转速(rpm)
尺寸(mm)
额定
最高
额定
最高
A
B
C
D
EGLM-306LBF30FA
6
20
25
2000
3500
45
94
14
14
EGLM-308LBF30FA
8
20
25
2000
3500
46.5
97
14
14
EGLM-310LBF30FA
10
20
25
2000
3500
48
100
18
18
EGLM-312LBF30FA
12
20
25
2000
3000
49.5
103
18
18
EGLM-314LBF30FA
14
20
25
2000
3000
51
106
18
18
▼锥形轴1:5带矩形法兰安装Φ80
EGLP-3..RCW...A

齿轮泵尺寸和技术参数
订货编码
公称排量(ml/r)
压力(MPa)
转速(rpm)
尺寸(mm)
额定
最高
额定
最高
A
B
C
D
EGLP-306RCW40FL
6
20
25
2000
3500
45
97
M22X1.5
M18X1.5
EGLP-308RCW40FL
8
20
25
2000
3500
46.5
100
M22X1.5
M18X1.5
EGLP-310RCW40FL
10
20
25
2000
3500
48
103
M22X1.5
M18X1.5
EGLP-312RCW40FL
12
20
25
2000
3000
49.5
106
M22X1.5
M18X1.5
EGLP-314RCW50FL
14
20
25
2000
3000
51
109
G3/4
G1/2
EGLP-316RCW50FL
16
20
25
2000
3000
52.5
112
G3/4
G1/2
EGLP-318RCW50FL
18
20
25
2000
3000
54
115
G3/4
G1/2
EGLP-320RCW50FL
20
20
25
2000
3000
56
119
G3/4
G1/2
EGLP-322RCW50FL
22
20
25
2000
3000
57.5
122
G3/4
G1/2
齿轮马达尺寸和技术参数
订货编码
公称排量(ml/r)
压力(MPa)
转速(rpm)
尺寸(mm)
额定
最高
额定
最高
A
B
C
D
EGLM-306RCW40FL
6
20
25
2000
3500
45
97
M22X1.5
M22X1.5
EGLM-308RCW40FL
8
20
25
2000
3500
46.5
100
M22X1.5
M22X1.5
EGLM-310RCW40FL
10
20
25
2000
3500
48
103
M22X1.5
M22X1.5
EGLM-312RCW40FL
12
20
25
2000
3000
49.5
106
M22X1.5
M22X1.5
EGLM-314RCW50FL
14
20
25
2000
3000
51
109
G3/4
G3/4
EGLM-316RCW50FL
16
20
25
2000
3000
52.5
112
G3/4
G3/4
EGLM-318RCW50FL
18
20
25
2000
3000
54
115
G3/4
G3/4
EGLM-320RCW50FL
20
20
25
2000
3000
56
119
G3/4
G3/4
EGLM-322RCW50FL
22
20
25
2000
3000
57.5
122
G3/4
G3/4
多级泵

订货编码
①
②
-
③
④
⑤
⑥
⑦
⑧
⑨
⑩
⑪
⑫
⑬
⑭
EGLP
2
-
F
3
12
/
C
3
12
R
J
Q
40
N
外啮合多联齿轮泵
① 外啮合齿轮铝壳体泵
EGLP
系列
② 双联泵
2
三联泵
3
额定压力(MPa)
③和⑥
10
C
12.5
D
16
E
20
F
25
G
系列组号
④和⑦ 2
3
4
5
规格排量
⑤和⑧ 排量 ml/r
6
8
10
12
14
16
20
22
25
旋向
⑨ 从传动轴头方向看
顺时针
R
逆时针
L
轴伸形式
⑩
矩形花键
H
平键
D
11齿国标渐开线花键
J
11齿SAE渐开线花键
S
1:5锥度
C
1:8锥度
Z
铸铁前盖
⑪
矩形法兰
国标Φ38
Q
4螺栓安装
Φ82.55
K
2螺栓安装
Φ82.55
F
进出油口法兰
⑫
X形法兰
20
十字法兰
30
公制螺纹
40
管螺纹
50
分油或合油
⑬ 分油
F
合油
N
尺寸-泵型范例
▼国标渐开线花键轴带矩形法兰Φ38
EGLP2-F312/F312LJQ40F

▼SAN渐开线花键轴带2螺栓法兰Φ82.55
EGLP2-F316/F316RSG30F

▼矩形花键轴带矩形法兰Φ38
EGLP2-F310/F306LHQ40N
留言咨询
推荐产品