产品分类
- 产品描述
-

订货编码
①
-
②
③
/
④
⑤
⑥
⑦
⑧
⑨
HLCB
-
D
10
/
10
A
R
H
Q
30
恒流溢流泵
① 恒流溢流泵
HLCB
最高压力
②
10MPa
C
12.5MPa
D
16MPa
E
20MPa
F
25MPa
G
公称恒流量
③ 恒流量L/min
6
8
10
12
14
16
20
22
公称排量
④ 排量ml/r
6
8
10
12
14
16
20
22
铸铁后盖出油形式
⑤
标准型
A
后出油
B
十字型
C
十字进出油同侧
D
侧出油
E
旋向
⑥ 从传动轴头方向看
顺时针
R
逆时针
L
轴伸形式
⑦
矩形花键
H
扁键
B
平键
D
11齿国标渐开线花键
J
11齿SAE渐开线花键
S
铸铁前盖
⑧ 矩形法兰
国标Φ38
Q
2螺栓法兰
Φ82.55
G
进油口法兰
⑨
X形法兰
20
十字法兰
30
公制螺纹
40
管螺纹
50
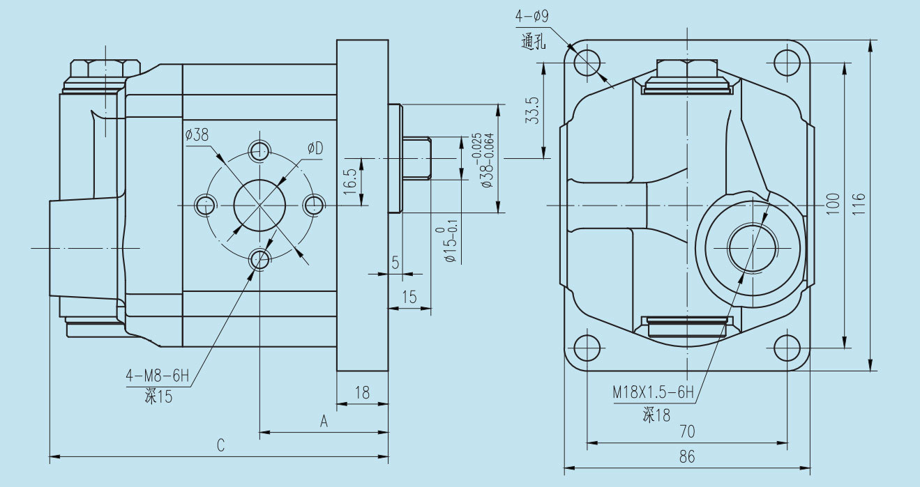
尺寸-铸铁后盖出油形式
A ▼标准型

B ▼后出油 
C ▼十字型

J ▼十字进出油同侧 
E ▼侧出油 
尺寸-轴伸
H ▼矩形花键

B ▼扁键 
D ▼平键

J ▼国标渐开线花键 
S ▼SAE渐开线花键 
尺寸-铸铁前盖
Q ▼矩形法兰Φ38

G ▼2螺栓法兰Φ82.55 
尺寸-进油口法兰
20 ▼ X形法兰

额定排量
进油侧
C
D
4~ 8
14
38
10 ~20
18
38
22 ~25
20
50
30 ▼ 十字法兰

额定排量
进油侧
C
D
4~ 8
14
38
10 ~20
18
38
40 ▼ 公制螺纹

额定排量
进油侧
B
4~12
22X1.5
14 ~20
27X2
22 ~25
30X2
50 ▼ 管螺纹

额定排量
进油侧
B
4~22
G3 ⁄4
尺寸-优选泵型
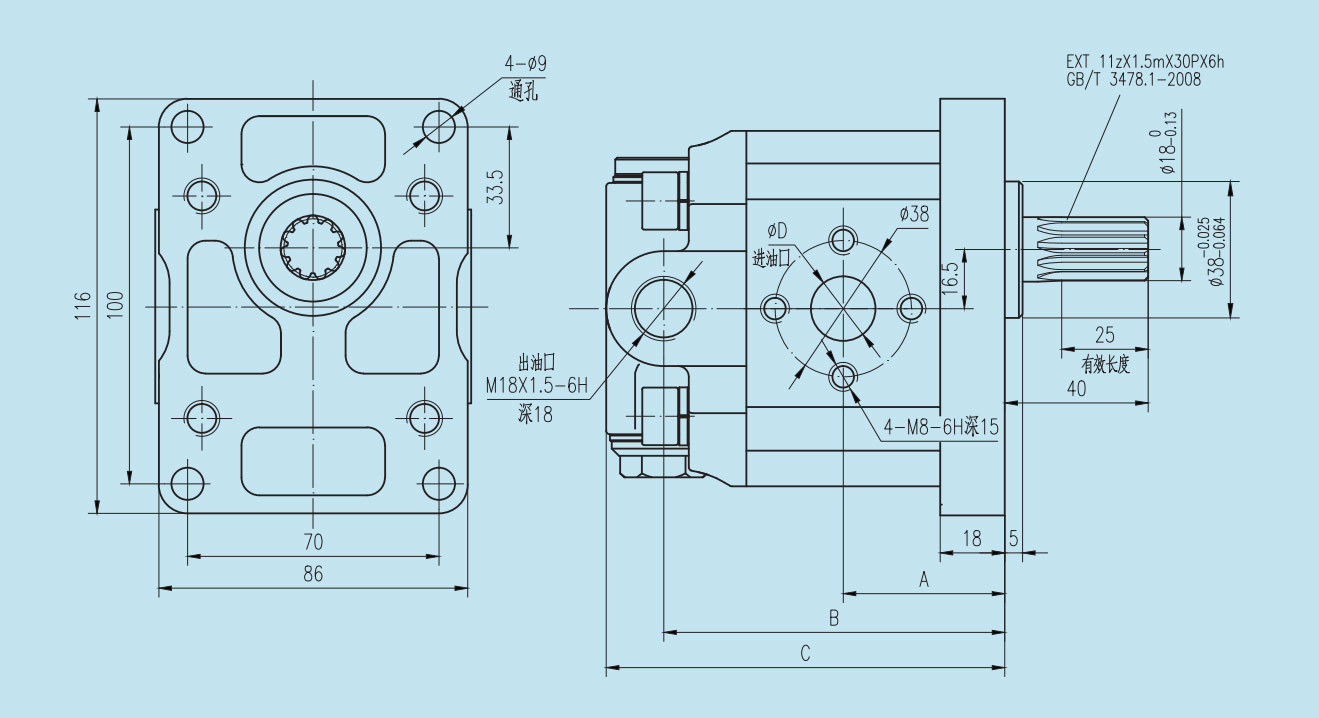
▼矩形花键轴带矩形法兰标准型Φ38
HLCB-D../..ARHQ30

恒流溢流泵尺寸和技术参数
订货编码
工作压力(MPa)
最高压力(MPa)
最高转速(rpm)
尺寸(mm)
A
B
C
D
HLCB-D06/06ARHQ30
10
12.5
3500
45
99
115
14
HLCB-D08/08ARHQ30
10
12.5
3500
46.5
102
118
14
HLCB-D10/10ARHQ30
10
12.5
3500
48
105
121
18
HLCB-D12/12ARHQ30
10
12.5
3000
49.5
108
124
18
HLCB-D14/14ARHQ30
10
12.5
3000
51
111
127
18
HLCB-D16/16ARHQ30
10
12.5
3000
52.5
114
130
18
HLCB-D20/20ARHQ30
10
12.5
3000
56
121
137
18
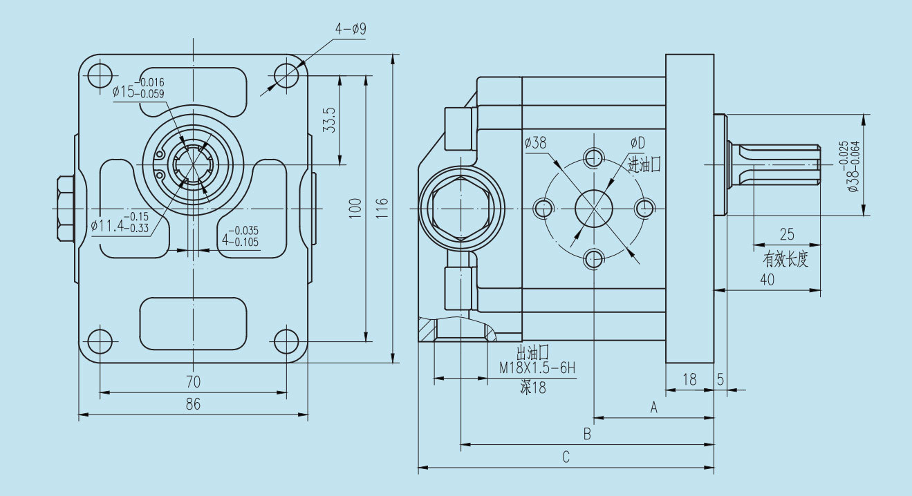
▼扁键轴带矩形法兰B型后盖Φ38
HLCB-D../..BRBQ30

恒流溢流泵尺寸和技术参数
订货编码
工作压力(MPa)
最高压力(MPa)
最高转速(rpm)
尺寸(mm)
A
C
D
HLCB-D06/06BRBQ30
10
12.5
3500
45
118.5
14
HLCB-D08/08BRBQ30
10
12.5
3500
46.5
121.5
14
HLCB-D10/10BRBQ30
10
12.5
3500
48
124.5
18
HLCB-D12/12BRBQ30
10
12.5
3000
49.5
127.5
18
HLCB-D14/14BRBQ30
10
12.5
3000
51
130.5
18
HLCB-D16/16BRBQ30
10
12.5
3000
52.5
133.5
18
HLCB-D20/20BRBQ30
10
12.5
3000
56
140.5
18
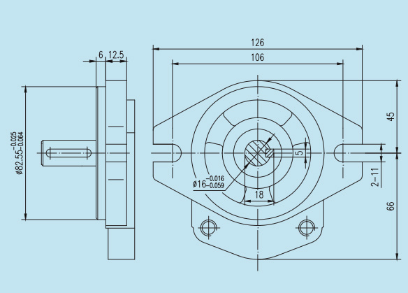
▼平键轴带2螺栓法兰C型后盖Φ82.55
HLCB-E../..CLDG30

恒流溢流泵尺寸和技术参数
订货编码
工作压力(MPa)
最高压力(MPa)
最高转速(rpm)
尺寸(mm)
A
B
C
D
HLCB-E06/06CLDG30
12
16
3500
45
95
111
14
HLCB-E08/08CLDG30
12
16
3500
46.5
98
114
14
HLCB-E10/10CLDG30
12
16
3500
48
101
117
18
HLCB-E12/12CLDG30
12
16
3000
49.5
104
120
18
HLCB-E14/14CLDG30
12
16
3000
51
107
123
18
HLCB-E16/16CLDG30
12
16
3000
52.5
110
126
18
HLCB-E20/20CLDG30
12
16
3000
56
117
133
18
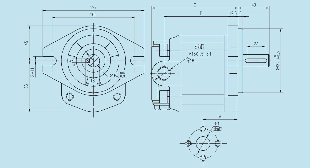
▼国标渐开线花键轴带矩形法兰D型后盖Φ38
HLCB-D../..DRJQ30

恒流溢流泵尺寸和技术参数
订货编码
工作压力(MPa)
最高压力(MPa)
最高转速(rpm)
尺寸(mm)
A
B
C
D
HLCB-D06/06DRJQ30
10
12.5
3500
45
95
111
14
HLCB-D08/08DRJQ30
10
12.5
3500
46.5
98
114
14
HLCB-D10/10DRJQ30
10
12.5
3000
48
101
117
18
HLCB-D12/12DRJQ30
10
12.5
3000
49.5
104
120
18
HLCB-D14/14DRJQ30
10
12.5
3000
51
107
123
18
HLCB-D16/16DRJQ30
10
12.5
3000
52.5
110
126
18
HLCB-D20/20DRJQ30
10
12.5
3000
56
117
133
18
▼矩形花键轴带矩形法兰E型后盖Φ38
HLCB-D../..ERHQ30

恒流溢流泵尺寸和技术参数
订货编码
工作压力(MPa)
最高压力(MPa)
最高转速(rpm)
尺寸(mm)
A
B
C
D
HLCB-D06/06ERHQ30
10
12.5
3500
45
95
111
14
HLCB-D08/08ERHQ30
10
12.5
3500
46.5
98
114
14
HLCB-D10/10ERHQ30
10
12.5
3500
48
101
117
18
HLCB-D12/12ERHQ30
10
12.5
3000
49.5
104
120
18
HLCB-D14/14ERHQ30
10
12.5
3000
51
107
123
18
HLCB-D16/16ERHQ30
10
12.5
3000
52.5
110
126
18
HLCB-D20/20ERHQ30
10
12.5
3000
56
117
133
18
留言咨询
推荐产品