产品分类
- 产品描述
-

订货编码
①
②
-
③
④
⑤
⑥
⑦
⑧
⑨
⑩
EGL
P
-
2
7.8
R
S
G
30
F
L
外啮合齿轮装置
① 外啮合齿轮铝壳体装置
EGL
系列
② 液压泵
P
液压马达
M
系列组号
③ 1
2
3
4
5
规格排量
④ 排量 ml/r
1.3
2
2.7
3.4
4.1
5.1
6.1
7.8
旋向
⑤ 从传动轴头方向看
顺时针
R
逆时针
L
轴伸形式
⑥ 矩形花键
H
平键
D
9齿SAE渐开线花键
S
铸铝前盖
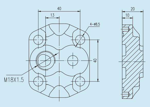
⑦ 矩形法兰 国标Φ30
Q
2螺栓法兰 欧标Φ50.8
G
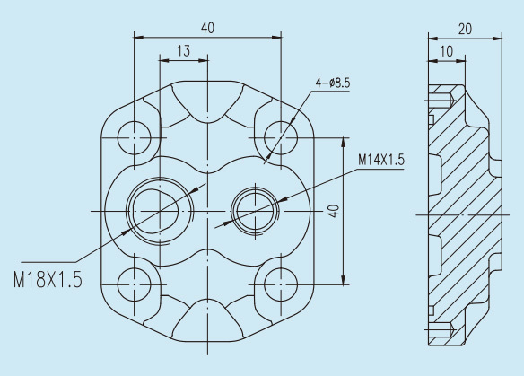
进出油口法兰
⑧
X形法兰
20
十字法兰
30
公制螺纹
40
管螺纹
50
密封材料
⑨ NBR(丁晴橡胶)
N
FKM(氟橡胶)
F
铸铝后盖
⑩ 后盖进油
L
后盖进油后盖出油
M
尺寸-轴伸
S▼SAE渐开线花键
尺寸-铸铝前盖
G▼2螺栓法兰Φ50.8
尺寸-进出油口法兰
20▼X形法兰
额定排量
出油侧
进油侧
C
D
C
D
1.3~7.8
13
30
13
30
30▼十字法兰

额定排量
出油侧
进油侧
C
D
C
D
1.4~3.4
13
26
13
26
4.1~7.8
13
30
13
30
40▼公制螺纹

额定排量
出油侧
进油侧
B
B
1.4~7.8
14X1.5
18X1.5
50▼ 管螺纹

额定排量
出油侧
进油侧
B
B
1.4~4.1
G3 ⁄8
G3 ⁄8
5.1~7.8
G1 ⁄ 2
G1 ⁄ 2
尺寸-铸铝后盖
L▼后(进)出油后盖
M▼后进油后出油后盖
尺寸-优选泵型
▼SAE渐开线花键轴带2螺栓法兰Φ50.8
EGLP-2..RSG40.A
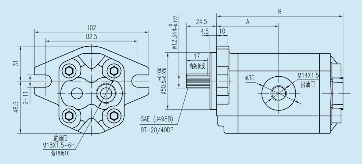
齿轮泵尺寸和技术参数
订货编码
公称排量(ml/r)
压力(MPa)
转速(rpm)
尺寸(mm)
额定
最高
额定
最高
A
B
EGLP-213RSG30FA
1.3
20
25
2000
3500
41.5
84
EGLP-220RSG30FA
2
20
25
2000
3500
43
87
EGLP-227RSG30FA
2.7
20
25
2000
3500
44.5
90
EGLP-234RSG30FA
3.4
20
25
2000
3500
46
93
EGLP-241RSG30FA
4.1
20
25
2000
3500
47.5
96
EGLP-251RSG30FA
5.1
20
25
2000
3500
49.75
100.5
EGLP-261RSG30FA
6.1
20
25
2000
3000
51.75
104.5
EGLP-278RSG30FA
7.8
20
25
2000
3000
55.25
111.5
齿轮马达尺寸和技术参数
订货编码
公称排量(ml/r)
压力(MPa)
转速(rpm)
尺寸(mm)
额定
最高
额定
最高
A
B
EGLM-213RSG30FA
1.3
20
25
2000
3500
41.5
84
EGLM-220RSG30FA
2
20
25
2000
3500
43
87
EGLM-227RSG30FA
2.7
20
25
2000
3500
44.5
90
EGLM-234RSG30FA
3.4
20
25
2000
3500
46
93
EGLM-241RSG30FA
4.1
20
25
2000
3500
47.5
96
EGLM-251RSG30FA
5.1
20
25
2000
3500
49.75
100.5
EGLM-261RSG30FA
6.1
20
25
2000
3000
51.75
104.5
EGLM-278RSG30FA
7.8
20
25
2000
3000
55.25
111.5
多级泵

订货编码
①
②
-
③
④
⑤
/
⑥
⑦
⑧
⑨
⑩
⑪
⑫
⑬
EGLP
2
-
F
2
8
/
C
2
6
R
S
G
40
F
外啮合多联齿轮泵
① 外啮合齿轮铝壳体泵
EGLP
系列
② 双联泵
2
三联泵
3
额定压力(MPa)
③和⑥
10
C
12.5
D
16
E
20
F
25
G
系列组号
④和⑦ 2
3
4
5
规格排量
⑤和⑧ 排量 ml/r
1.3
2
2.7
3.4
4.1
5.1
6.1
7.8
旋向
⑨ 从传动轴头方向看
顺时针
R
逆时针
L
轴伸形式
⑩
9齿SAE渐开线花键
S
前盖
⑪
2螺栓法兰
Φ50.8
G
进出油口法兰
⑫
X形法兰
20
十字法兰
30
公制螺纹
40
管螺纹
50
分油或合油
⑬ 分油
F
合油
N
尺寸-泵型范例
▼SAE渐开线花键轴带2螺栓法兰Φ50.8
EGLP2-C28/C26RSG40N
留言咨询
推荐产品