产品分类
- 产品描述
-

订货编码
①
②
-
③
④
⑤
⑥
⑦
⑧
⑨
⑩
EGT
P
-
3
14
L
H
Q
30
F
A
外啮合齿轮装置
①
外啮合齿轮铝壳体装置
EGT
系列
②
液压泵
P
液压马达
M
系列组号
③
1
2
3
4
5
规格排量
④
排量 ml/r
10
12
14
16
18
20
22
旋向
⑤ 从传动轴头方向看
顺时针
R
逆时针
L
轴伸形式
⑥
矩形花键
H
扁键
B
平键
D
11齿国标渐开线花键
J
11齿SAE渐开线花键
S
铸铁前盖
⑦ 矩形法兰 国标Φ38
Q
2螺栓法兰 国标Φ38
F
进出油口法兰
⑧
X形法兰
20
十字法兰
30
公制螺纹
40
管螺纹
50
密封材料
⑨
NBR(丁晴橡胶)
N
HNBR(氢化丁晴橡胶)
H
FKM(氟橡胶)
F
铸铁后盖
⑩
标准平后盖
A
后盖进油或后盖出油
L
后盖进油后盖出油
M
尺寸-轴伸
H ▼矩形花键

B ▼平键 
D ▼平键

J ▼国标渐开线花键 
尺寸-铸铁前盖
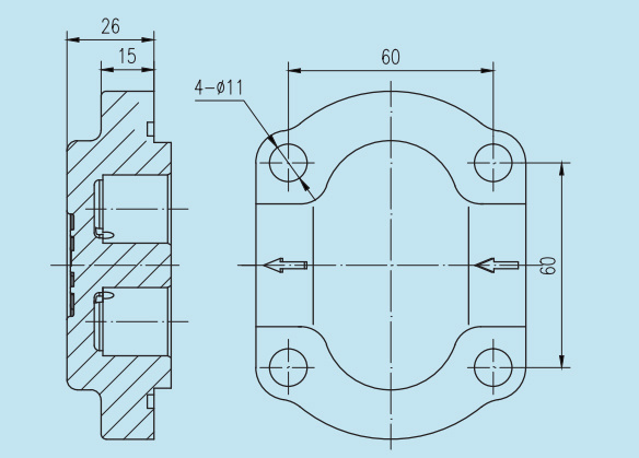
Q 矩形法兰Φ38

尺寸-进出油口法兰
20 ▼ X形法兰

额定排量
出油侧
进油侧
C
D
C
D
10~20
14
38
18
38
22~25
14
38
20
50
30 ▼ 十字法兰

额定排量
出油侧
进油侧
C
D
C
D
10~20
10
38
14
38
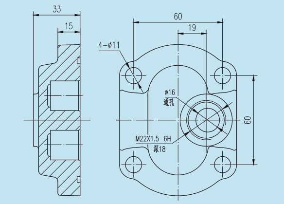
40 ▼ 公制螺纹

额定排量
出油侧
进油侧
B
B
10~12
18X1.5
22X1.5
14~20
22X1.5
27X2
22~25
22X1.5
30X2
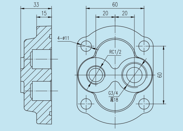
50 ▼ 管螺纹

额定排量
出油侧
进油侧
B
B
10~22
G1/2
G3/4
尺寸-后盖
A ▼标准平后盖

L ▼后盖进油或后盖出油 
M ▼后盖进油后盖出油

尺寸-优选泵型
▼矩形花键轴带矩形法兰Φ38
EGTP-3..LHQ30.A

齿轮泵尺寸和技术参数
订货编码
公称排量(ml/r)
压力(MPa)
转速(rpm)
尺寸(mm)
额定
最高
额定
最高
A
B
C
D
EGTP-314LHQ30FA
14
20
25
2000
3000
45.5
99
18
14
EGTP-316LHQ30FA
16
20
25
2000
3000
45.5
99
18
14
EGTP-318LHQ30FA
18
20
25
2000
3000
48
103
18
14
EGTP-320LHQ30FA
20
20
25
2000
2800
49.5
106
18
14
▼平键轴带矩形法兰后进油Φ38
EGTP-3..LDQ...L

齿轮泵尺寸和技术参数
订货编码
公称排量(ml/r)
压力(MPa)
转速(rpm)
尺寸(mm)
额定
最高
额定
最高
A
B
C
D
EGTP-308LDQ40FL
8
20
25
2000
3500
40
87
M22X1.5
M18X1.5
EGTP-310LDQ40FL
10
20
25
2000
3500
43
90
M22X1.5
M18X1.5
EGTP-312LDQ40FL
12
20
25
2000
3000
46
96
M22X1.5
M18X1.5
EGTP-314LDQ40FL
14
20
25
2000
3000
47.5
99
M22X1.5
M18X1.5
EGTP-316LDQ50FL
16
20
25
2000
3000
49
102
G3/4
G1/2
EGTP-318LDQ50FL
18
20
25
2000
3000
51
106
G3/4
G1/2
EGTP-320LDQ50FL
20
20
25
2000
3000
53.5
109
G3/4
G1/2
EGTP-322LDQ50FL
22
20
25
2000
3000
55
111
G3/4
G1/2
▼SAE渐开线花键轴带2螺栓法兰Φ82.55
EGTP-3..LHQ50.M

齿轮泵尺寸和技术参数
订货编码
公称排量(ml/r)
压力(MPa)
转速(rpm)
尺寸(mm)
额定
最高
额定
最高
B
C
D
EGTP-308LHQ50FM
8
20
25
2000
3500
87
G3/4
G1/2
EGTP-310LHQ50FM
10
20
25
2000
3500
90
G3/4
G1/2
EGTP-312LHQ50FM
12
20
25
2000
3000
96
G3/4
G1/2
EGTP-314LHQ50FM
14
20
25
2000
3000
99
G3/4
G1/2
EGTP-316LHQ50FM
16
20
25
2000
3000
102
G3/4
G1/2
EGTP-318LHQ50FM
18
20
25
2000
3000
106
G3/4
G1/2
EGTP-320LHQ50FM
20
20
25
2000
3000
109
G3/4
G1/2
EGTP-322LHQ50FM
22
20
25
2000
3000
111
G3/4
G1/2
留言咨询
推荐产品